P宿迁产品展示PRODUCT
您当前所在的位置:首页>>宿迁产品展示>>宿迁控制器
宿迁电抗器
宿迁电容器
宿迁控制器
宿迁投切开关
宿迁高压无功补偿成套装置
宿迁无功补偿控制器


 

1.jpg1.jpg


功能用途

在电力供电系统中用于提高电网的功率因数,降低供电变压器及输送线路的损耗,提高供电效率以达到改善供电环境的目的,是无功补偿的重要组成部分。控制器以无功功率为取样物理量,能可靠地正常运行在大谐波、非正弦电流、强干扰等恶劣电网环境下,先进独特的自适应功能保证了电力电容的安全运行,真正实现了无功补偿元器件的安全使用。

 

型号说明

1.3.png

 

技术参数

测量电压

220/380V AC

工作电源

220V±20%

测量频率

45~65Hz

显示有功功率

0~6553kW

显示无功功率

0~6553 kVar

显示电压总谐波畸变率

0.0~100.0%

显示电流总谐波畸变率

0.0~100.0%

取样电压

220/380V AC

取样电流

AC 5A(电流互感器二次侧)

控制输出

继电器干结点AC 250V/5A阻性(静态)/DC 12V 30mA/支路(动态)

补偿方式

共补、共分结合

通讯接口

Modbus-RS485

平均无故障时间(MTBF

>25000小时

海拔高度

≤2500m

工作温度

-20~+60

存储温度

-25~+70

环境条件

周围环境无腐蚀性气体,无导电尘埃,无易燃易爆的介质存在,安装地点无剧烈振动、无雨雪侵蚀

 

规格与外形尺寸


               型号  功能

SYK-12

SYK-21

测量功能

功率因数

电压

电流

有功功率

无功功率

频率

电压总谐波畸变率

电流总谐波畸变率

保护功能

过欠压

过欠流

过欠补

谐波

失压释放保护

谐波失真超限

通讯功能

RS-485通讯

控制输出

输出回路数

12

21

J:继电器输出(静态)

D:12VDC电平输出(动态)

补偿方式

共补

分补

尺寸(mm)

面框

120×120

144×144

开孔

113×113

138×138

嵌入

97

65

 

接线示意

SYK-12

image.png

*取样电压与取样电流应同相。


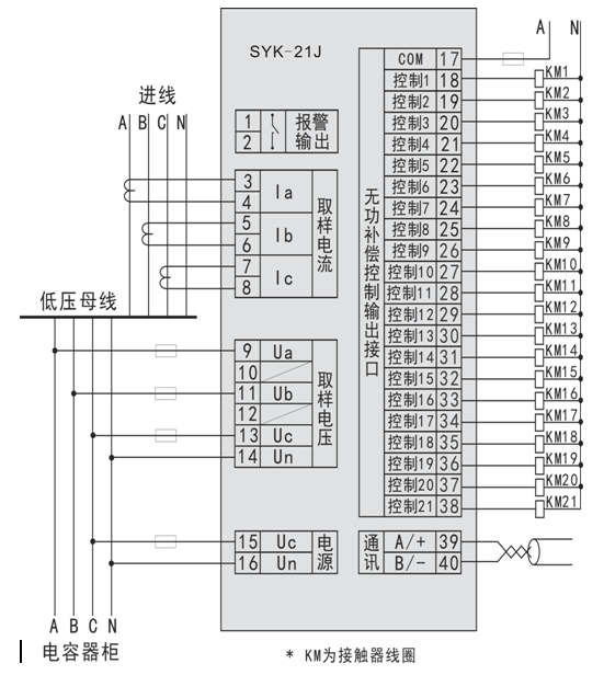
SYK-21

image.png

image.png 


*取样电压与取样电流应同相。


电话:0510-86502411      传真:0510-86518028
邮箱:sy-electric@126.com     地址:江阴市青阳镇工业园华澄路5号

江阴市上源电气科技有限公司是较早开发与生产滤波电抗器,智能抗谐电容器,电力电容器的专业企业,拥有超过20年的研发制造。 CopyRight © 2018-2020   All Right Reserved   江阴市上源电气科技有限公司 备案号:苏ICP备20046538号-1

手机扫一扫 进入官网